JWY-42A電壓繼電器原理及開孔尺寸-上海上繼科技有限公司
發表時間:2019-07-27 08:26 瀏覽次數:778 〖返回〗
一、JWY-42A電壓繼電器的概述
JWY-42A無輔助源電壓繼電器用于發電機,變壓器和輸電線的繼電保護裝置中, 作為過電壓保護或低電壓閉鎖的啟動元件。本繼電器 為集成電路靜態型繼電器,精度高、功耗小、動作時間短、返回系數高、整定直觀方便、范圍寬,且作為低電壓繼電器使用無抖動現象,無 需直流輔助電源完全可以替代電磁型電壓繼電器。
JWY無輔助源電壓繼電器分為三個系列:JWY-10、JWY-20、JWY-30,可分別替代 DJ-100、DY-20C、DY-30等系列電磁型 電壓繼電器。JWY 系列集成電路電壓繼電器采用撥碼開關整定電壓值,用數字倍率開關切換,改變后無需校驗。
二、JWY-42A電壓繼電器的原理

本繼電器為靜態型繼電器,采用進口集成電路構成,被測量的交流電壓U~經隔離變壓器降壓后得到與被測電壓成正比的電壓Ui,經 整定后進行整流,整流后脈沖電壓經濾波器濾波,得到與Ui成正比的直流電壓Uo,在電平檢測中Uo與直流參考電壓 Ue 進行比較,若直流 電壓Uo低于參考電壓,電平檢測器輸出正信號,驅動出口繼電器,則本繼電器處于動作狀態。反之,不論是過電壓繼電器或是低電壓繼電器, 若直流電壓Uo高于參考電壓 Ue,電平檢測器輸出負信號,本繼電器處于不動作狀態。
三、JWY-42A電壓繼電器的動作時間
在1.1倍實測動作值時,過電壓繼電器的動作時間不大于0.12 s(對DY-32~34/60C不大于0.15 s);在2倍實測動作值時,動作時間不大于0.04 s(對DY-32~34/60C不大于0.06 s);低電壓繼電器在0.5倍實測動作值時,動作時間不大于0.15s。
四、JWY-42A電壓繼電器的絕緣性能
a. 絕緣電阻不小于300MΩ。
b. 介質強度
繼電器各導電電路連在一起與外露的非帶電金屬部分及外殼之間,能承受2kV(有效值)、50Hz的交流電壓歷時1min的試驗,而無絕緣擊穿或閃絡現象。
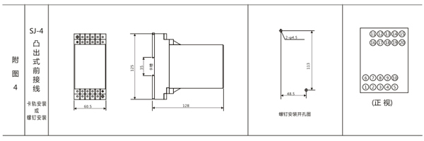
五、JWY-42A電壓繼電器的開孔尺寸

公司介紹:上海上繼科技有限公司是一家專業從事電力系統繼電保護及智能電網電力自動化產品的研發、設計、生產、銷售和服務為一體的高科技公司。擁有資深繼電保護專家團隊和國內**的檢測儀器及校驗設備。同時還引用國內外先進技術,來進行技術創新。本公司的產品廣泛用于電力、工礦、鐵路、建筑等國家重大工程輸配變電系統上,產品遠銷東南亞及中東地區。產品通過國家繼電保護及自動化設備質量監督檢驗中心檢測,獲得ISO-9001:2000國際質量體系認證。“科技創新,誠信務實”是公司的經營理念,本公司以高超的技術支持和對用戶高度負責的售后服務贏得了輸配電成套企業的信賴,且樹立了良好的信譽。
上海上繼科技有限公司(專注電力保護繼電器生產廠家)銷售熱線:021-57233089 QQ:1932551438
{以上內容僅供參考,上海上繼科技有限公司有最終解釋權}
更多繼電器精彩文章——JY-BS/1電壓繼電器安裝尺寸及接線圖





